Zhejiang Sehnaider Electric Co., Ltd.
Zhejiang Sehnaider Electric Co., Ltd.
Produkter
BH-0.66-50 nuværende transformere
  • BH-0.66-50 nuværende transformereBH-0.66-50 nuværende transformere

BH-0.66-50 nuværende transformere

BH-0.66-50 strømtransformatorer er præcisionsinstrumenter designet til nøjagtig måling og overvågning af elektriske strømme i forskellige industrielle anvendelser. Med en nominel strøm på 50A og et transformationsforhold på 0,66 giver disse transformere pålidelige og præcise strømmålingsfunktioner.

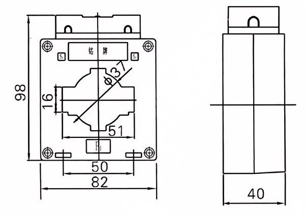
Indendørs epoxyharpiks Strømtransformator eller indendørs plastikhus strømtransformator

• Enlig fase, to fase eller tre fase.

• Bedømt spænding: 0,66 kV

• Måleklasse til CT: 0,2s, 0,2,0,5, 0,5s

• Standard: IEC61869-2

• Typenavn: BH-0.66-50

Denne indendørs tør type strømtransformator anvendes i 0,66 kV, 0,75 kV. kraftsystem til måling og beskyttelse.

Det er blevet brugt i Cubicle Switchgear eller i bay-installerede switchstationer.

BH-0.66-50 strømtransformatorer er lavet af indendørs epoxyharpiks med høj temperatur, amorf legeringskerne til måling og høj kvalitet inde i kernen til beskyttelse, primær og sekundær anvendelse rent elektrolytisk kobber.


Ansøgninger:

Strømfordelingssystemer

Energistyringssystemer

Overvågning af industrielt udstyr

Vedvarende energisystemer


1. premium -materialer

Højkvalitets kerner: præcisionslamineret siliciumstål eller nanokrystallinske kerner til minimale tab og høj linearitet.  

Robust isolering: Epoxyharpiksdesign sikrer langvarig stabilitet i barske miljøer.  


2. overlegen præstation

Nøjagtighed: Klasse 0,2/0,5 til måling, 5p/10p til beskyttelse, kompatibel med IEC 61869, 60044, IEEE og ANSI -standarder.  

Bred rækkevidde: Understøtter 0,6 kV-36KV-systemer med brugerdefinerede forhold/frekvens (50/60Hz).  

Lav termisk stigning: Optimeret design reducerer overophedning, der forlænger levetiden.  

EMC -immunitet: skjolde mod elektromagnetisk interferens for pålidelige signaler.  


3. Service & support

Brugerdefinerede løsninger: skræddersyede forhold, størrelser eller stik (f.eks. DIN -jernbane, IEC -terminaler).  

Globale certificeringer: IEC, CE, ISO og lokale netgodkendelser.  

Livslang teknisk hjælp: 24/7 support, installationsvejledning og reservedeleforsyning.  

Hurtig levering: Standardprodukter på 2-4 uger; fremskyndede muligheder for presserende behov.  


Hoved tekniske parametre

Bedømt primær
Nuværende (a)
Nøjagtighed
klasser
kombination
Bedømt sekundær output (VA) 1S termisk strøm (KA) Bedømt dynamisk strøm (KA)
0,2 (s) 0.2 0.5 10p10
5-40 0,2/10p10
0,5/10p10
/ 10 10 15 90lin 220lin
5-40 100lin 250lin
5-40 20 50
5-40
5-40 36 90
10
5-40 45 100
5-40 56 100
5-40
5-40 80 110
5-40 100 110




Hot Tags: BH-0.66-50 nuværende transformere
Send forespørgsel
Kontaktoplysninger
Hvis du har nogen forespørgsel om citat eller samarbejde, er du velkommen til at e -maile os på River@dahuelec.com eller bruge følgende undersøgelsesformular. Vores salgsrepræsentant vil kontakte dig inden for 24 timer. Tak for din interesse for vores produkter.
X
Vi bruger cookies til at tilbyde dig en bedre browsingoplevelse, analysere trafik på webstedet og tilpasse indhold. Ved at bruge denne side accepterer du vores brug af cookies. Privatlivspolitik
Afvise Acceptere