Zhejiang Sehnaider Electric Co., Ltd.
Zhejiang Sehnaider Electric Co., Ltd.
Produkter
BH-0.66-60 Aktuelle transformere
  • BH-0.66-60 Aktuelle transformereBH-0.66-60 Aktuelle transformere

BH-0.66-60 Aktuelle transformere

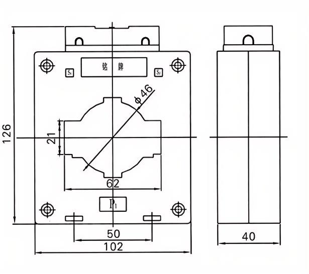
BH -0.66-60 nuværende transformatorer vedtager PC -flamme - retardant materiale, og det magnetiske - ledende materiale er en udglødet toroidal kerne for at sikre nøjagtigheden af produktet på niveauer 0,2 og 0,5. For ultra - høje nøjagtighedsniveauer såsom 0,2s og 0,5s, kan kun superledende magneter opfylde sådanne nøjagtighedskrav.

BH-0.66-60 Aktuelle transformere er anvendelige til kraftsystemer med en nominel frekvens på 50Hz og en nominel spænding på 0,66 kV, 0,69 kV, 0,5 kV og nedenfor til elektrisk energimåling, strømmåling og relæbeskyttelse.


Denne nuværende transformer af Dahu er til indendørs brug, installeret ind i distributionskabinetter og kasser. Den har et nyt magnetisk kredsløbsdesign, avancerede kompensationsmetoder, udsøgte behandlingsteknikker, sikker og pålidelig ydelse og et lille og smukt udseende.


Den ydre skal er lavet af høj styrkeflamme - retardant pc med en fuldt - lukket struktur og en flamme - retardant bedømmelse af V1. Den interne kerne er lavet af højkorns korn -orienterede siliciumstålplader. Tråddiameteren er strengt valgt i henhold til den økonomiske strømtæthed for at sikre mindre temperaturstigning. Med avanceret og pålideligt testudstyr sikrer det overholdelse af kvalitetsstandarder.


Det har firkantede og runde hultyper, der er egnet til enkelt rod eller multiple - rodkabelindtrængning eller enkelt - rodbusbar penetration. Det har en komplet produktserie, en bred vifte af specifikationer og et bredt applikationsområde.


Applikationer

Energiovervågning og måling

Kredsløbsbeskyttelse og relækoordination

Industriel automatisering og smarte netsystemer

Tekniske specifikationer

Bedømt spænding: 0,66 kV

Frekvens: 50/60Hz

Nøjagtighedsklasse: 0,5, 1,0 (tilpasses)

Isoleringsniveau: 3 kV/min


Hoved tekniske parametre

Bedømt primær
Nuværende (a)
Nøjagtighed
klasser
kombination
Bedømt sekundær output (VA) 1S termisk strøm (KA) Bedømt dynamisk strøm (KA)
0,2 (s) 0.2 0.5 10p10
5-40 0,2/10p10
0,5/10p10
/ 10 10 15 90lin 220lin
5-40 100lin 250lin
5-40 20 50
5-40
5-40 36 90
10
5-40 45 100
5-40 56 100
5-40
5-40 80 110
5-40 100 110


Hot Tags: BH-0.66-60 Aktuelle transformere
Send forespørgsel
Kontaktoplysninger
Hvis du har nogen forespørgsel om citat eller samarbejde, er du velkommen til at e -maile os på River@dahuelec.com eller bruge følgende undersøgelsesformular. Vores salgsrepræsentant vil kontakte dig inden for 24 timer. Tak for din interesse for vores produkter.
X
Vi bruger cookies til at tilbyde dig en bedre browsingoplevelse, analysere trafik på webstedet og tilpasse indhold. Ved at bruge denne side accepterer du vores brug af cookies. Privatlivspolitik
Afvise Acceptere