Klasse 0,5 med høj nøjagtighed - giver en endelig strømmåling til måling og overvågning af applikationer.
Bredt måleområde - understøtter flere aktuelle forhold for at imødekomme forskellige belastningsbetingelser.
Kompakt og let design - let at installere i trange rum uden at gå på kompromis med ydelsen.
Fremragende termisk stabilitet - sikrer stabil drift, selv under svingende temperaturer.
Stærk isolering og sikkerhed - overholder industriens sikkerhedsstandarder og tilbyder pålidelig beskyttelse mod elektriske fejl.
Alsidige applikationer - Ideel til brug i strømfordelingspaneler, industriel automatisering og vedvarende energisystemer.
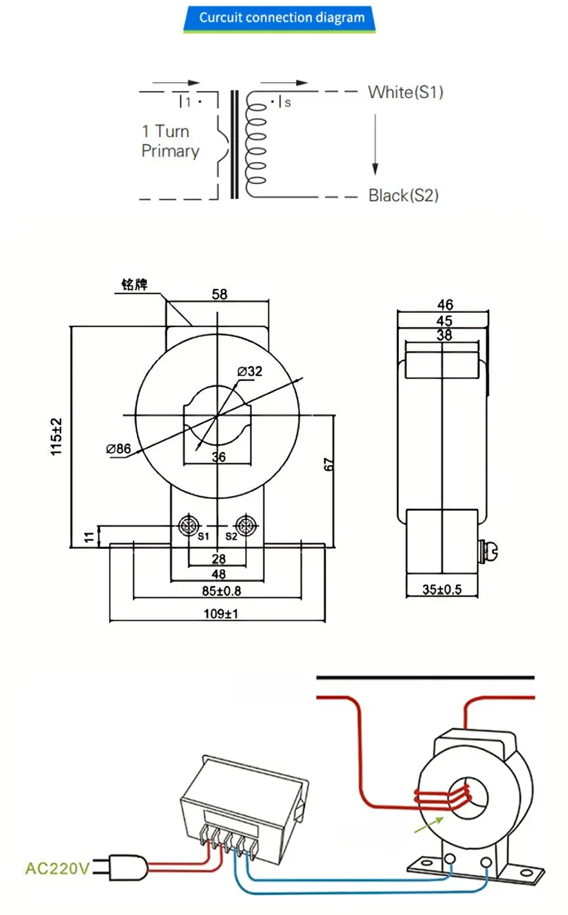
Bedømt primærstrøm: Tilpasselig (f.eks. 5a ~ 2000a)
Bedømt sekundær strøm: 5A eller 1A (standard)
Nøjagtighedsklasse: 0,5
Frekvens: 50Hz/60Hz
Isoleringsniveau: op til 3 kV
Driftstemperatur: -25 ° C til +70 ° C
Power Metering & Energy Monitoring
Beskyttelsesrelæer og afbrydere
Industrielle og kommercielle elektriske systemer
Sol- og vindkraftinstallationer

Adresse
Xiangyang Industrial Zone, Yueqing, Zhejiang, Kina
Tlf